Year 9 Circuit Diagrams

Year 9 Circuit Diagrams

  • Category : Circuit Diagrams
  • Post Date : January 26, 2026
Year 9 Circuit Diagrams 9 out of 10 based on 90 ratings. 50 user reviews.

Year 9 Circuit Diagrams

Electronic Hobby Circuits 9 Volts Dc Power Supply Circuit

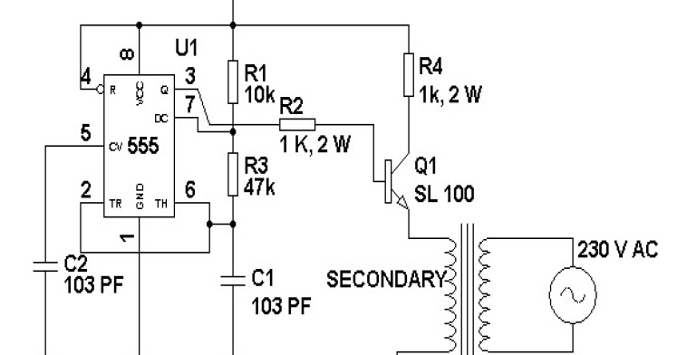
Power Supply For Electronics Projects

Design Of 9 V Regulator Using 7809 With Circuit Diagram

9 Volt Power Supply Circuit Diagram Using Ic 7809

9v Fm Radio Transmitter

3v To 9v Dc Converters Circuit Diagram World

Circuit Diagrams Grade 9 Photos

Small Dc

Circuit Diagrams Grade 9 Photos

Nine Volt Battery Eliminator Circuit

Switchless Nicd

Automatic 9

Loadedcircuit Com 12 Volt To 230 Volt Inverter Circuit

9 Volt Guitar Pedal Regulated Power Supply

Receiver U0026 39 S Circuit Diagram U0026 Alignment Procedure

World Technical Siren Alarm Circuit Diagram Usng Lm358

Static 0 To 9 Display

Soft Wiring 9 Volts Charger Diagram

Fm Remote Encoder Decoder

Saab 9 3 Wiring Diagrams

9 Volt Battery Charger

9 Way Clap Switch Circuit

9v Power Supply Using Lm7809

Battery Eliminator Circuit

Schematic 9 Volt Dc 2a Power Supply Wiring Diagram Schematic

9 Volts Charger Diagram

Digital Stop Watch

6bta 5 9 U0026 6cta 8 3 Mechanical Engine Wiring Diagrams

Jolida Jd9 Circuit Diagram Schematic Help

Help Joihnson 9 9 Hp 1986 Wiring Do Ihave Electric Start

Circuit Diagrams And Ohm U0026 39 S Law

Synchrowave 250

Free Circuit Diagrams 4u 9v 2a Power Supply Circuit Diagram

Exploring Simple Circuits

How To Wire Circuits From Schematics

9 Volt Audio Power Amplifier

Nimh And Nicd Battery Charger Circuit

Gcse Aqa Physics - P4 5 - Parallel Circuits By Nteach

Build 5v Regulated Power Supply From 9v Dc Adapter

24 Volt Dc Power Supply Circuit Diagram Schematic

1988 Ford F150 4x4 With 4 9l I Need Simple Wiring Diagram

9 Volts Charger Diagram

Vp9

12v 100ah Battery Charger Circuit

How To Interface Arm9 Stick With Lcd

Receiver U0026 39 S Circuit Diagram U0026 Alignment Procedure

Ece 4760 Exercise Monitoring System

Radiometrix - Radio Modules - Rf Modules

Schema Elettrico Ibanez Ts9

Radio Wiring Post Mod Back To Stock

The Johnson Viking Ranger

Guitar Effects Amplifiers

Gibson Ga

Project 9 U2013 Buildaudioamps

Discussion Check Out This Scan Of A Gibson Catalog From

12v 9v 6v Automatic Battery Charger

Diagram Year 9 Circuit Diagrams

  • Download Year 9 Circuit Diagrams

    draw.io is free online diagram software for making flowcharts, process diagrams, org charts, UML, ER and network diagrams

    Open and edit diagrams online with Draw.io, a free diagram software supporting various formats and diagram types.

    Create a new diagram, or open an existing diagram in your new tab. To create a new diagram, enter a Diagram Name and click the location where you want to save the file.

    Create flowcharts and diagrams online with this easy to use software.

    Easily import diagrams from Lucidchart to diagrams.net or draw.io with this simple tool.

    Create and edit diagrams with draw.io, a free diagramming tool that integrates seamlessly with Office 365.

    app.diagrams.net

    Access and integrate Google Drive files with Draw.io using the Google Picker tool for seamless diagram creation.

    Clearing Cached version 29.3.4... OK Update Start App

    7.2 The Software will initiate transfers of data forming part of the Diagrams (“Diagram Data”) to services supplied by third parties when you expressly request conversion of Diagrams: a. to another supported file format; and b. to PDF format.

    3 way switch,3 way switch wiring,3 way switch wiring diagram pdf,3 way wiring diagram,3way switch wiring diagram,4 prong dryer outlet wiring diagram,4 prong trailer wiring diagram,6 way trailer wiring diagram,7 pin trailer wiring diagram with brakes,7 pin wiring diagram,alternator wiring diagram,amp wiring diagram,automotive lighting,cable harness,chevrolet,diagram,dodge,doorbell wiring diagram,ecobee wiring diagram,electric motor,electrical connector,electrical wiring,electrical wiring diagram,ford,fuse,honeywell thermostat wiring diagram,ignition system,kenwood car stereo wiring diagram,light switch wiring diagram,lighting,motor wiring diagram,nest doorbell wiring diagram,nest hello wiring diagram,nest labs,nest thermostat,nest thermostat wiring diagram,phone connector,pin,pioneer wiring diagram,plug wiring diagram,pump,radio,radio wiring diagram,relay,relay wiring diagram,resistor,rj45 wiring diagram,schematic,semi-trailer truck,sensor,seven pin trailer wiring diagram,speaker wiring diagram,starter wiring diagram,stereo wiring diagram,stereophonic sound,strat wiring diagram,switch,switch wiring diagram,telecaster wiring diagram,thermostat wiring,thermostat wiring diagram,trailer brake controller,trailer plug wiring diagram,trailer wiring diagram,user guide,wire,wire diagram,wiring diagram,wiring diagram 3 way switch,wiring harness

    close