Wiring Diagram For 2004 Jeep Rubicon

Wiring Diagram For 2004 Jeep Rubicon

  • Category : Jeep Rubicon
  • Post Date : January 26, 2026
Wiring Diagram For 2004 Jeep Rubicon 9 out of 10 based on 70 ratings. 80 user reviews.

Wiring Diagram For 2004 Jeep Rubicon

2004 Jeep Rubicon 60 000 Miles Californina Model With 4

2004 Jeep Rubicon 60 000 Miles Californina Model With 4

2004 Jeep Rubicon Wiring

2004 Jeep Rubicon Wiring

Wiring Guide Or Diagram

55176732ac

52853410ac

Rubicon Locker Bypass

U Joint Replacement Kit

Jeep Tj Rubicon Fuse Box

I Have A 2004 Jeep Wrangler And My Transmission On

52087636ac

52100491ae

I Have A 2004 Jeep Cherokee Larado 4 0 L And The Engine

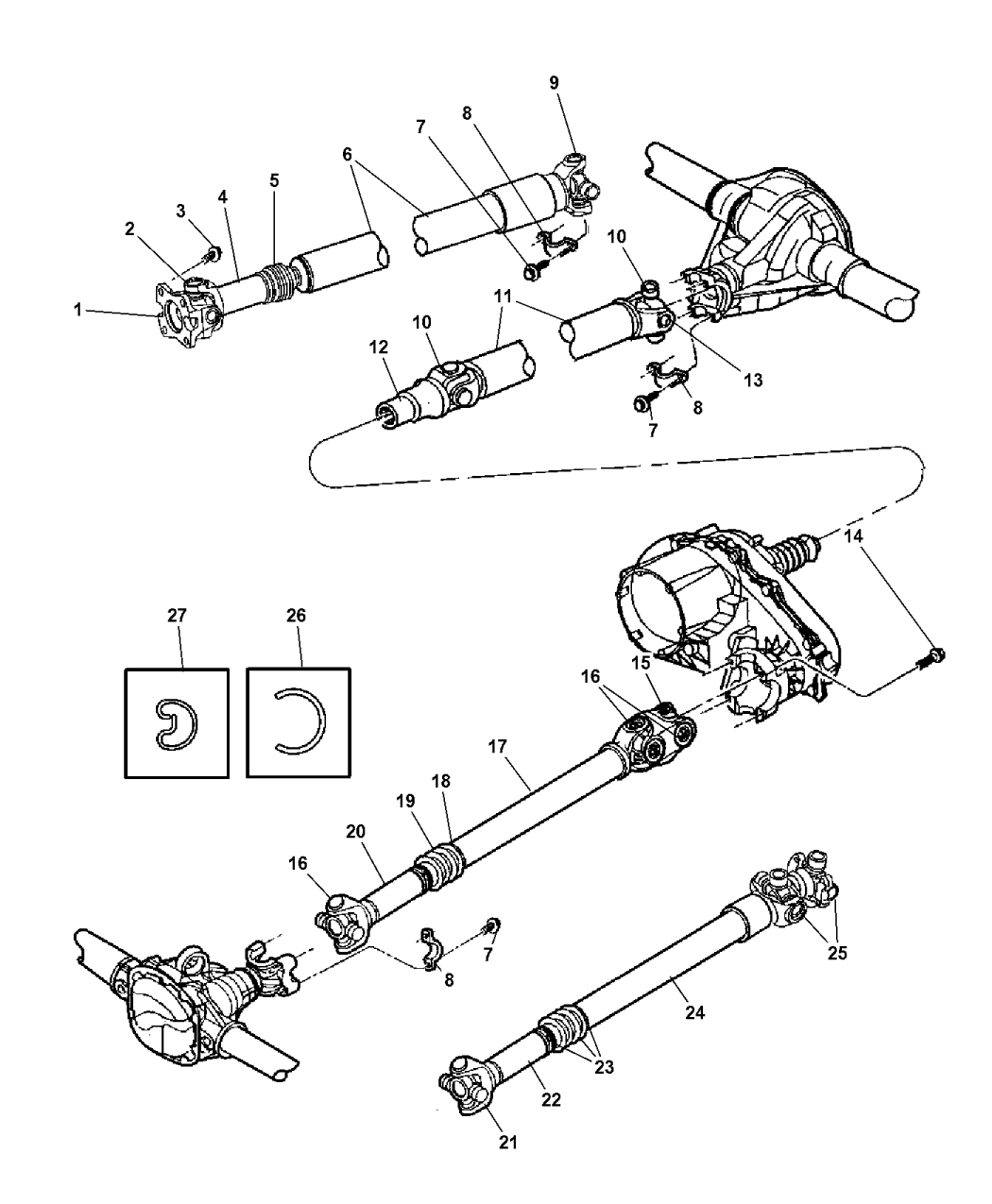
Tj Wrangler Model 44 Rear Axle Parts

Pin P U00e5 Jeeps

54 Best Images About Naked Jeep On Pinterest

56044545aa

Crank Position Sensor Jeep 4 0l Engine Diagram

Pin Oleh Dodge And Jeep Cars Images Di Dodge And Jeep Cars

Beep Beep Beep Beep Beep Beep Beep

Liberty Nv-3550 Transmission

A Slightly Different Soft Top Issue - Page 3

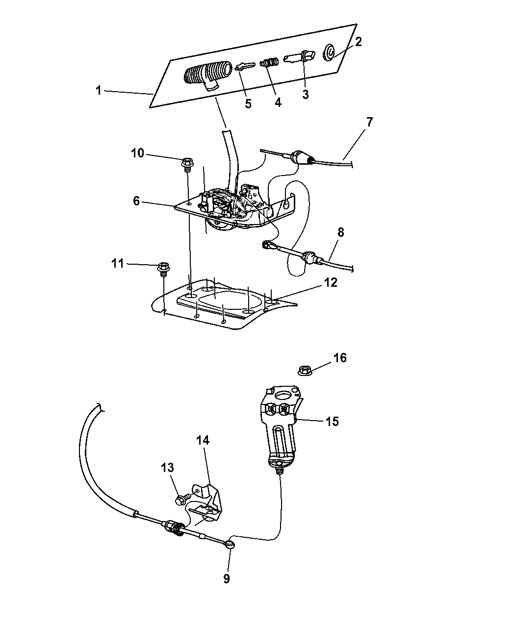
Stock Tranfer Case Linkage Diagram

2004 Jeep Wrangler Parts Diagram

2004 Jeep Rubicon Wiring

2004 Jeep Wrangler Tj Service Repair Manual Download

Serpentine Belt Repair Help Requested

Wiring Diagram Needs For 01 Rubicon 500

Jeep Jk Wrangler Rubicon Locker Modifications Hacks

2004 Jeep Wrangler Parts Diagram

Wiring Diagram For A 2004 Wrangler

2004 Jeep Wrangler Rubicon 5 Speed

The Best 2004 Jeep Wrangler Tj Factory Service Manual

2004 Jeep Wrangler Parts Diagram

5093669ab

68002770aa

Jeep Cherokee Electrical

4wd Rubicon 5 Speed Manual Transmission Low Miles

2004 Jeep Wrangler Parts Diagram

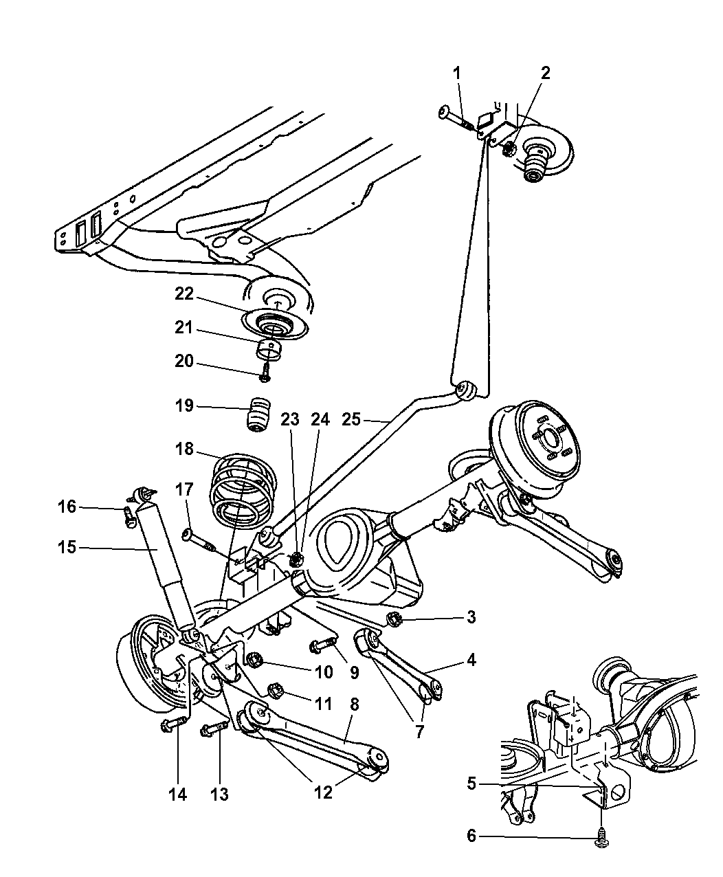
Jeep Wrangler Tj Suspension Parts Wrangler Rubicon

Rubicon Manual Transmission

2005 Flame Red Rubicon

Tj Wrangler Fuel Parts

2004 Jeep Wrangler Wiring Engine Na1 Nbj Nas Nbj

2004 Jeep Wrangler Throttle Body

2004 Jeep Wrangler Exhaust System

5hs491x9ae

2004 Tj Air Conditioner Vacuum Leak

6ck80rxfaa

2008 Fleetwood Providence Photos Details Brochure

5093668aa

2004 Jeep Wrangler Serpentine Belt Routing And Timing Belt

Nsg370 Manual Transmission

52109624ad

53013669aa

4815987ab

7 Speaker Wiring Diagram Please

How Do You Remove The Rear Bumper On A 2013 Jeep Rubicon

Diagram Wiring Diagram For 2004 Jeep Rubicon

  • Download Wiring Diagram For 2004 Jeep Rubicon

    draw.io is free online diagram software for making flowcharts, process diagrams, org charts, UML, ER and network diagrams

    Open and edit diagrams online with Draw.io, a free diagram software supporting various formats and diagram types.

    Create a new diagram, or open an existing diagram in your new tab. To create a new diagram, enter a Diagram Name and click the location where you want to save the file.

    Create flowcharts and diagrams online with this easy to use software.

    Easily import diagrams from Lucidchart to diagrams.net or draw.io with this simple tool.

    Create and edit diagrams with draw.io, a free diagramming tool that integrates seamlessly with Office 365.

    Access and integrate Google Drive files with Draw.io using the Google Picker tool for seamless diagram creation.

    Clearing Cached version 29.3.4... OK Update Start App

    7.2 The Software will initiate transfers of data forming part of the Diagrams (“Diagram Data”) to services supplied by third parties when you expressly request conversion of Diagrams: a. to another supported file format; and b. to PDF format.

    "short_name": "draw.io", "description": "draw.io is a free diagram editor", "icons": [ { "src": ".. favicon.ico", "type": "image x icon", "sizes": "16x16 32x32" }, { "src": "icon 192.png", "type": "image png", "sizes": "192x192" }, { "src": "icon 512.png", "type": "image png", "sizes": "512x512" },

    3 way switch,3 way switch wiring,3 way switch wiring diagram pdf,3 way wiring diagram,3way switch wiring diagram,4 prong dryer outlet wiring diagram,4 prong trailer wiring diagram,6 way trailer wiring diagram,7 pin trailer wiring diagram with brakes,7 pin wiring diagram,alternator wiring diagram,amp wiring diagram,automotive lighting,cable harness,chevrolet,diagram,dodge,doorbell wiring diagram,ecobee wiring diagram,electric motor,electrical connector,electrical wiring,electrical wiring diagram,ford,fuse,honeywell thermostat wiring diagram,ignition system,kenwood car stereo wiring diagram,light switch wiring diagram,lighting,motor wiring diagram,nest doorbell wiring diagram,nest hello wiring diagram,nest labs,nest thermostat,nest thermostat wiring diagram,phone connector,pin,pioneer wiring diagram,plug wiring diagram,pump,radio,radio wiring diagram,relay,relay wiring diagram,resistor,rj45 wiring diagram,schematic,semi-trailer truck,sensor,seven pin trailer wiring diagram,speaker wiring diagram,starter wiring diagram,stereo wiring diagram,stereophonic sound,strat wiring diagram,switch,switch wiring diagram,telecaster wiring diagram,thermostat wiring,thermostat wiring diagram,trailer brake controller,trailer plug wiring diagram,trailer wiring diagram,user guide,wire,wire diagram,wiring diagram,wiring diagram 3 way switch,wiring harness

    close